led燈驅動電源電路圖 led燈的驅動原理電路圖方案詳解 KIA MOS管
信息來源:本站 日期:2018-05-09
接觸過LED的人都知道:由于LED正向伏安特性非常陡圖1.1(正向動態電阻非常小),要給LED正常供電就比較困難。不能像普通白熾燈一樣,直接用電壓源供電,否則電壓波動稍增,電流就會增大到將LED燒毀的程度。為了穩定LED的工作電流,保證LED能正常可靠地工作,具有”鎮流功能”的各種各樣的LED驅動電路就應運而生。最簡單的是串聯一只鎮流電阻,而比較復雜的是用許多電子元件構成的“恒流驅動器”。
1、LED區域照明電源架構及典型LED驅動方案
1)適合線性燈、線槽燈等應用的分布式/模塊化方案
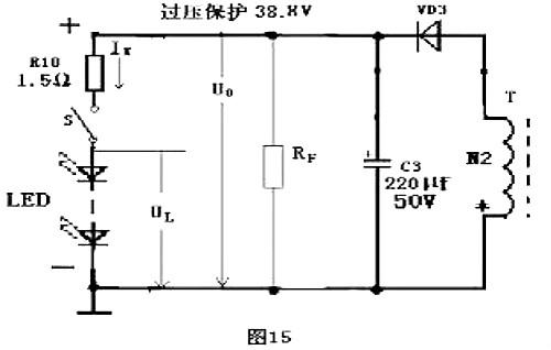
大功率LED區域照明應用中,一種常見的電源架構是“功率因數校正(PFC)+恒壓(CV)+恒流(CC)”的三段式架構。這種架構中,交流輸入電源經過功率因數校正和隔離型直流-直流(DC-DC)轉換后,輸出24至80 Vdc的固定電壓,提供給后面內置DC-DC降壓轉換電路的恒流LED模塊(見圖2)。這種架構的設計提供了能夠現場升級的模塊化途徑,可根據實際需求,靈活改變LED光條數量,從而增加或減小光輸出,滿足具體區域照明應用要求。這種架構下,交流-直流(AC-DC)轉換與LED驅動電路并未集成在一起,而是采用分布式配置,既簡化安全考慮又增強系統靈活性,也稱作分布式方案,典型應用包括線性燈及線槽燈等。
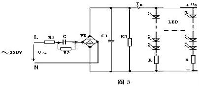
在這種模塊化途徑下,一項設計能夠擴展用于多種光輸出等級。而且隨著LED光輸出性能增強,LED模塊要提供相同光輸出等級,所需采用的燈條就更好。而每個燈條都設有一個專用的DC-DC LED驅動器,如可以采用安森美半導體的CAT4201高能效降壓LED驅動器。CAT4201專門優化用于驅動大電流LED,采用具有專利的開關控制算法,提供高能效及精確的LED穩流(可達350 mA)。CAT4201可采用最高36 V的電源電壓供電,并兼容于12 V和24 V標準照明系統。圖3顯示的是CAT4201的高壓LED驅動器配置,外圍的N溝道MOSFET支持高壓輸入:100V輸入電壓時LED功率達30W;50V輸入時LED功率達13W.

此方案的原理電路圖見圖1。這是一種極其簡單,自LED面世以來至今還一直在用的經典電路。
LED工作電流I按下式計算:
I與鎮流電阻R成反比;當電源電壓U上升時,R能限制I的過量增長,使I不超出LED的允許范圍。
此電路的優點是簡單,成本低;缺點是電流穩定度不高;電阻發熱消耗功率,導致用電效率低,僅適用于小功率LED范圍。
一般資料提供的鎮流電阻R的計算公式是:
按此公式計算出的R值僅滿足了一個條件:工作電流I。而對驅動電路另兩個重要的性能指標:電流穩定度和用電效率,則全然沒有顧及。因此用它設計出的電路,性能沒有保證。
電路的工作是基于在交流電路中,電容存在容抗XC也有”鎮流作用”的原理。另外電容消耗無功功率,不發熱;而電阻則消耗有功功率,會轉化為熱能耗散掉,所以鎮流電容比鎮流電阻,能節省一部分電能,并能設計成將LED燈直接接到市電~220V上,使用更為方便。
此方案的優點是簡單,成本低,供電方便;缺點是電流穩定度不高,效率也不高。僅適用于小功率LED范圍。當LED的數量較多,串聯后LED支路電壓較高的場合更為適用。
上面已經提到電阻、電容鎮流電路的缺點是電流穩定度低(△I/I達±20~50%),用電效率也低(約50~70%),僅適用于小功率LED燈。
為滿足中、大功率LED燈的供電需要,利用電子技術常見的電流負反饋原理,設計出恒流驅動電路。和直流恒壓電源一樣,按其調整管是工作在線性,還是開關狀態,恒流驅動電路也分成兩類:線性恒流驅動電路和開關恒流驅動電路。
圖4是最簡單的兩端線性恒流驅動電路。它借用三端集成穩壓器LM337組成恒流電路,外圍僅用兩個元件:電流取樣電阻R和抗干擾消振電容C。
上述線性恒流驅動電路雖具有電路簡單、元件少、成本低、恒流精度高、工作可靠等優點,但使用中也發現幾點不足:
a、調整管工作在線性狀態,工作時功耗高發熱大(特別是工作壓差過大時),不僅要求較大尺寸的散熱器,而且降低了用電效率。
b、電源電壓要求按公式(13)與LED工作電壓嚴格匹配,不允許大范圍改變。也就是說它對電源電壓及LED負載變化的適應性差。
c、它僅能工作在降壓狀態,不能工作在升壓狀態。即電源電壓必須高于LED工作電壓。
d、供電不太方便,一般要配開關穩壓電源,不能直接用~220V供電。
輸入整流:將正負變化的交流電變成單向變化的直流電
濾波:將變化的電壓波形平滑成波動較小的直流電壓波形
變壓器:儲存能量,產生需要的輸出電壓.原、副邊隔離。
輸出穩壓:穩定輸出電壓
取樣反饋:將輸出電壓的變化反映到控制電路,以便采取相應的措施保證輸出電壓在規定的范圍內
PWM+開關:控制電路,根據反饋回來的信號控制變壓器儲存能量的多少,從而保證輸出的穩定
采用開關電源驅動的優點:效率高,一般可以做到80%~90%,輸出電壓、電流穩定。輸出紋波小。且這種電路都有完善的保護措施,屬高可靠性電源。
(1)恒壓式:
a、當穩壓電路中的各項參數確定以后,輸出的電壓是固定的,而輸出的電流卻隨著負載的增減而變化;
b、恒壓電路不怕負載開路,但嚴禁負載完全短路。
c、以穩壓驅動電路驅動LED,每串需要加上合適的電阻方可使每串LED顯示亮度平均;
d、亮度會受整流而來的電壓變化影響。
(2)恒流式:
1、恒流驅動電路驅動LED是很理想的,缺點就是價格較高.
2、恒流電路雖然不怕負載短路,但是嚴禁負載完全開路.
3、恒流驅動電路輸出的電流是恒定的,而輸出的直流電壓卻隨著負載阻值的大小不同在一定范圍內變化.
4、要限制LED的使用數量,因為它有最大承受電流及電壓值.
我們已經很清楚的知道LED驅動電源只有兩種方式:
恒流式:電流不變電壓在一定范圍內變化(隨負載變化)
恒壓式:電壓不變電流在一定范圍內變化(隨負載變化)
而LED燈配合的方式有三種:串聯式,并聯式,串并混聯式。
串聯式:
要求LED驅動器輸出較高的電壓。當LED的一致性差別較大時,分配在不同的LED兩端電壓不同,通過每顆LED的電流相同,LED的亮度一致。
當某一顆LED品質不良短路時,如果采用穩壓式驅動,由于驅動器輸出電壓不變,那么分配在剩余的LED兩端電壓將升高,驅動器輸出電流將增大,導致容易損壞余下所有LED。如采用恒流式LED驅動,當某一顆LED品質不良短路時,由于驅動器輸出電流保持不變,不影響余下所有LED正常工作。當某一顆LED品質不良斷開后,串聯在一起的LED將全部不亮。解決的辦法是在每個LED兩端并聯一個齊納管,當然齊納管的導通電壓需要比LED的導通電壓高,否則LED就不亮了。
并聯式:
要求LED驅動器輸出較大的電流,負載電壓較低。分配在所有LED兩端電壓相同,當LED的一致性差別較大時,而通過每顆LED的電流不一致,LED的亮度也不同。可挑選一致性較好的LED,適合用于電源電壓較低的產品
當某一個顆LED品質不良斷開時,如果采用恒壓式LED驅動,驅動器輸出電流將減小,而不影響余下所有LED正常工作。如果是采用恒流式LED驅動,由于驅動器輸出電流保持不變,分配在余下LED電流將增大,導致容易損壞所有LED。解決辦法是盡量多并聯LED,當斷開某一顆LED時,分配在余下LED電流不大,不至于影響余下LED正常工作。所以功率型LED做并聯負載時,不宜選用恒流式驅動器。當某一顆LED品質不良短路時,那么所有的LED將不亮,但如果并聯LED數量較多,通過短路的LED電流較大,足以將短路的LED燒成斷路。
串并混聯方式
在需要使用比較多LED的產品中,如果將所有LED串聯,將需要LED驅動器輸出較高的電壓。如果將所有LED并聯,則需要LED驅動器輸出較大的電流。將所有LED串聯或并聯,不但限制著LED的使用量,而且并聯LED負載電流較大,驅動器的成本也會大增。解決辦法是采用混聯方式。串并聯的LED數量平均分配,分配在一串LED上的電壓相同,通過同一串每顆LED上的電流也基本相同,LED亮度一致。同時通過每串LED的電流也相近。
當某一串聯LED上有一顆品質不良短路時,不管采用恒壓式驅動還是恒流式驅動,這串LED相當于少了一顆LED,通過這串LED的電流將大增,很容易就會損壞這串LED。大電流通過損壞的這串LED后,由于通過的電流較大,多表現為斷路。斷開一串LED后,如果采用恒壓式驅動,驅動器輸出電流將減小,而不影響余下所有LED正常工作。如果是采用恒流式LED驅動,由于驅動器輸出電流保持不變,分配在余下LED電流將增大,導致容易損壞所有LED。解決辦法是盡量多并聯LED,當斷開某一顆LED時,分配在余下LED電流不大,不至于影響余下LED正常工作。
混聯方式還有另一種接法,即是將LED平均分配后,分組并聯,再將每組串聯一起。
當有一顆LED品質不良短路時,不管采用恒壓式驅動還是恒流式驅動,并聯在這一路的LED將全部不亮,如果是采用恒流式LED驅動,由于驅動器輸出電流保持不變,除了并聯在短路LED的這一并聯支路外,其余的LED正常工作。假設并聯的LED數量較多,驅動器的驅動電流較大,通過這顆短路的LED電流將增大,大電流通過這顆短路的LED后,很容易就變成斷路。由于并聯的LED較多,斷開一顆LED的這一并聯支路,平均分配電流不大,依然可以正常工作,哪么整個LED燈,僅有一顆LED不亮。
如果采用恒壓式驅動,LED品質不良短路瞬間,負載相當少并聯一路LED,加在其余LED上的電壓增高,驅動器輸出電流將大增,極有可能立刻損壞所有LED,幸運的話,只將這顆短路的LED燒成斷路,驅動器輸出電流將恢復正常,由于并聯的LED較多,斷開一顆LED的這一并聯支路,平均分配電流不大,依然可以正常工作,哪么整個LED燈,也僅有一顆LED不亮。
通過對以上分析可知,驅動器與負載LED串并聯方式搭配選擇是非常重要的,恒流式驅動功率型LED是不適合采用并聯負載的,同樣的,恒壓式LED驅動器不適合選用串聯負載。
工程中的簡易計算方法
例:SLT5-12VC額定輸出功率為5W電源,輸出電壓12V,白光LED額定正向電壓3.3V,耗散功率為65mW,可配置多少個LED?
(1)計算每條支路的LED個數:3.3V×3=9.9V
65mW÷3.3V=20mA(12V-9.9V)÷20mA=105Ω
(2)計算并聯支路數:5W÷(65mW×3+20mA×20mA×105Ω)=21
(3)總共可以接多少個LED:21×3=63個(串并混聯)
例:SLT10-350IF一個額定輸出電流為DC 0.35A,額定功率為10W電源,耗散功率為65mW,正向電為0.02A的白光LED,可怎樣配置?
(1)計算每條支路的LED個數:10W÷0.35A=28.6V
65mW÷0.02A=3.25V 28.6V÷3.25V=8
(2)計算并聯支路數:0.35A÷0.02=18
(3)總共可以接多少個LED:8×18=144個(串并混聯)
A.LED降額使用。
B.使用線性恒流驅動器,特別注意其工作壓差。
C.隔離式開關恒流驅動器次級輸出電源不宜懸空,負極應接地。
D.對開關恒流驅動器,要嚴格遵守:先接好LED燈,再接通驅動器電源的操作順序。
如果相反操作,在接通LED燈瞬間,將會有極大的沖擊電流通LED燈,威脅LED燈的使用安全。現以圖10電路為例,對此沖擊電流值作一下計算,并對其產生原因作一次分析。
聯系方式:鄒先生
聯系電話:0755-83888366-8022
手機:18123972950
QQ:2880195519
聯系地址:深圳市福田區車公廟天安數碼城天吉大廈CD座5C1
請搜微信公眾號:“KIA半導體”或掃一掃下圖“關注”官方微信公眾號
請“關注”官方微信公眾號:提供 MOS管 技術幫助