電機正反轉電路圖 電機正反轉電路工作原理及電路詳解 KIA MOS管
信息來源:本站 日期:2018-05-02
電動機正反轉,看似只是一張簡單的電路圖,但其實里面包含了多種電工常用知識。因此這張圖常常當作電工入門教學之用,或者說,此圖是許多電工的啟蒙教材。七彩教育方老師也在電氣工程師班的二次線路里會現場直播接線講解這一塊的內容!
此圖直接拿來使用的情況也很多,比如起重機、卷揚機、車床、電梯等。凡是需要做往返動作的機器,幾乎都需要用到正反轉。科技發展到今天,很多機械實現了自動化,如數控車床等,都是使用plc控制,但需要知道,PLC在編程過程中,程序員必須清楚其機械控制原理,才能在編程時通過控制電路通斷來實現控制功能。有機會我們會向大家分享控制電動機正反轉的PLC控制程序,但在學習PLC之前,學習其機械原理是絕對必須的。
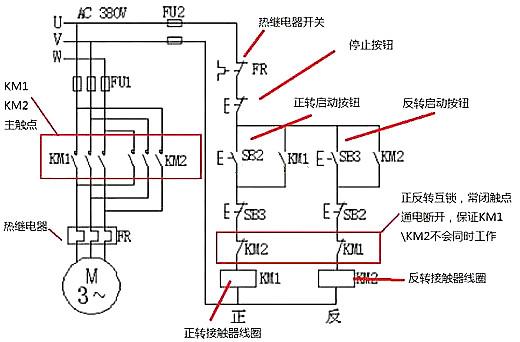
電動機正反轉控制原理圖中,涉及到的知識點有:1.電動機轉動方向變換原因;2.電路保護裝置;3.按鈕和接觸器的元件原理;4.自鎖與互鎖;5.機械互鎖的用處。
常開觸點: 不按或線圈不通電時斷開 ,按下或線圈通電時閉合;
常閉觸點: 不按或線圈不通電時閉合. 按下或線圈通電時斷開;
第一個問題看圖紙;
第二個問題,KM1、KM2由輔助觸點互鎖只能有一個工作。
第三個問題看常開、常閉觸點的差別;
SB2,SB3分別是正反轉啟動按鈕都用了一個常開,一個常閉。
聯系方式:鄒先生
聯系電話:0755-83888366-8022
手機:18123972950
QQ:2880195519
聯系地址:深圳市福田區車公廟天安數碼城天吉大廈CD座5C1
請搜微信公眾號:“KIA半導體”或掃一掃下圖“關注”官方微信公眾號
請“關注”官方微信公眾號:提供 MOS管 技術幫助
