電子鎮流器電路圖大全(解析常用六款電路原理圖詳解)KIA MOS管
信息來源:本站 日期:2018-04-19
電子鎮流器完成的是將工頻交流電源轉換成高頻交流電源的變換器,首先,工頻電源經過射頻干擾濾波器、全波整流器、無源/有源功率因數校正器轉變為直流電源,其次,經過直流/交流變換器轉變為高頻交流電源。將轉換過后的高頻交流電源加到LC串聯諧振電路上對燈絲進行加熱,在電容器上產生諧振高壓使得燈管經導通狀態轉變為發光狀態,以提供燈管正常工作所需的電壓和電流。還可在其基礎上添加異常保護、電流保護、溫度保護等保護電路以完成各種所需功能。下面小編整理了幾款電子鎮流器電路設計原理圖供大家參考。
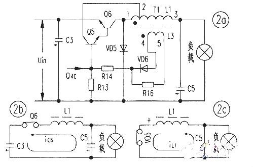
該電路由整流、控制(虛線框部分)、功率輸出部分等組成,是典型的串聯型開關電路。交流220V電壓經。VD1-4,橋式整流,C3濾波產生300V左右直流電壓后分為兩路:一路送到功率輸出電路;另一路經R2、R9等送到控制電路部分。另外TRi、C1、C2、LF1等組成高頻濾波電路,阻止外界噪聲進入電路,同時也阻止高壓汞燈電子鎮流器內的噪聲向外擴散。
功率輸出部分畫成圖2(a)是一個自激式功率振蕩電路。
圖1中虛線框部分是高壓汞燈電子鎮流器的控制部分,用晶體管Qi、Q2等組成差動式比較電路,Q3、Q4等組成電平轉換及誤差信號放大電路,控制自激式功率振蕩電路的導通時間。控制電路的供電電源是變壓器T1的繞組L2耦合所得的矩形脈沖,經過二極管VD6取得的。當Qs.Q6飽和時,其集電極電流線性上升,使取樣電阻的電壓降UR6增加到設定的某電壓值時,Q2導通,使Q3、Q4導通,把Q5基極的正向偏值電流吸收,促使Q5截止。因而Q5、Q6的集電極電流還未達到hFES.hfe6ib5,就提前退出飽和狀態,進入截止狀態,達到了控制晶體管Q5、Q6飽和時間的目的。這里還從T1的次級繞組L3取出電壓,經整流、濾波后作為電壓反饋疊加到輸入電流的取樣電路,一并起作用。
變壓器T1采用2000E-17型軟磁鐵氧體鐵芯,L1采用φ0.72mm漆包線繞98匝,l匝處抽頭。L2采用φ0.27mm漆包線繞12匝,L3采用φ0.27mm漆包線繞6匝,磁芯間隙為0.6mm左右。建議晶體管Q6選用PCM≥50W、BVCEO≥1000V、Icm≥10A;晶體管Q5選用PCM≥5W、BVCEO》1000V、ICM≥1A、hFE≥50;快速恢復整流二極管VD5選用VR≥800V、IF≥10A。本人因條件方便,晶體管Q6采用BUT11,晶體管Q5采用BUX85,快恢復整流二極管VD5采用BY229-600,均能正常工作。其他元件沒有特別要求。初次通電時先把電位器VR1調到低段處,使基準電壓(也就是Q1的基極電壓Ubl)為1V左右后通電,再等(幾分鐘)到高壓汞燈亮度基本穩定后,調節電位器VRi提高基準電壓為1.2V左右,使電路對高壓汞燈的供電電流達到1.25A的額定值。
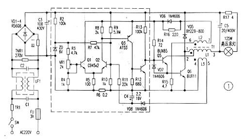
140J-06電子鎮流器,重帶要參數如下:功率40W,額定電流190mA,功率因數0.95,TC=70°C,U-OUT=220V。該鎮流器電路有些特別,同樣的燈管,配接該鎮流器,燈管亮度明顯提高。為此,特繪制其電路如下圖所示。
該鎮流器主要由干擾抑制、整流與功率因數校正、啟動與振蕩、保護等電路組成。
通電后約260V直流電壓通過偏置電阻R2、R3(680kΩ/0.5W)給功率管Q2(D13005ED)的b極提供偏置,Q2開始導通,同時260V電壓還通過C7、左燈絲、C14、右燈絲及D17(1N4007)、L2、T1的A-B繞組、Q2的c極、R5(0.5Ω/0.5W)到地,形成Q2集電極電流,T1各繞組產生了感應電勢。在反饋電壓的作用下,Q2快速退出飽和進入截止狀態,Q1迅速由截止進入飽和狀態。
此電路為變異型半橋逆變電路,在半橋橋路的無源側C7下部與地端少了一個同容量電容。當Q1開始導通時,在Q2導通期間C7充有的上+下一電壓,此時開始通過Q1的c極、R4(0.5Ω/0.5W)、L2、右燈絲、C14、左燈絲及D16(1N4007)放電。
由于電磁感應及反饋繞組的作用,Q1、Q2反復導通與截止,形成振蕩。半橋在Q1、Q2的中點輸出近似方波的脈沖,通過C14電流方向交替變化,使L2、C14、C7等組成的LC串聯電路發生諧振,C14兩端產生諧振高壓點亮燈管。燈管被點亮后,內阻下降,LC串聯電路失諧,Q值下降,燈管兩端電壓降低,同時L2又對燈管電流加以限流,滿足了燈管高壓啟動、低壓工作、電流穩定的要求。
電容C8起續流作用。在Q2截止、Q1轉入導通前,流過L2中的電流(由右向左)通過C8、C7返回至燈管中,電流保持連續,避免中斷;在Ql截止、Q2轉入導通前,流過L2中的電流(由左向右)又通過C7,C8返回至燈管中,同樣使電流保持連續,避免中斷。最終保持燈管連續正常發光。實測此鎮流器工作頻率約為42kHz。
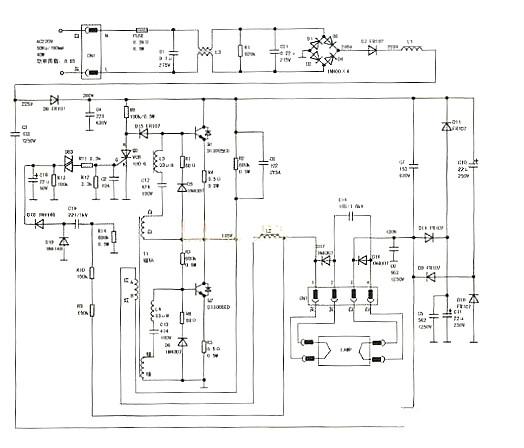
33157作為控制和驅動器的55W工業熒光燈電子鎮流器電路如下圖所示。電路中采用了以MC33262為中心的功率因數調整(PFC)升壓型預調器,它可抑制電流諧波,提高功率因數,并且可輸出400V的提升電壓。R3、C3是IC2的啟動元件。在IC2開始驅動VT1、VT2開關之后,T的輔助繞組L1、VD2、R9和C3組成泵電源,輸出約13V的直流電壓并加到IC,的①腳。VD1和C5分別是自舉二極管和自舉電容。C1為決定燈絲加熱時間和點火時序循環時間的外接電容,當C1的容量為0.47μF時,燈絲的加熱時間為2s。R1與R2和C2決定預熱頻率;R2決定燈管點火頻率;C2決定穩態工作頻率;C6決定從預熱頻率降到點火頻率的時間。該電路的預熱頻率為70kHz,點火頻率為50kHz,燈絲預熱時間為2s,頻率掃描時間為125ms,穩態工作頻率為45kHz。
在33157開始工作后,首先輸出燈絲加熱頻率,由于該頻率遠高于L2、C7串聯諧振頻率fo,所以半波逆變器輸出的信號不會在燈管兩端產生一個高壓將燈管擊穿。燈絲加熱2s后,輸出信號的頻率從70kHz降到50kHz,接近L2、C7的串聯諧振頻率fo,導致L2、C7發生諧振。
此時在C7兩端將產生約1000V的高壓脈沖并施加在燈管上,將燈管擊穿點燃。燈管點燃后,鎮流器輸出的頻率會降到45kHz,L2只起穩流作用。
R6、R7、VD3、R8和Cll等組成燈管檢測電路。如果燈管點火沒有成功,IC2的⑨腳接到信號后,將會重新點火;如果點火程序連續4次仍無法將燈管啟動,則電路會自動終止工作。
如果燈管沒有接入,IC2會根據檢測到的信號自動關斷輸出,從而保護VT1、VT2免遭破壞。
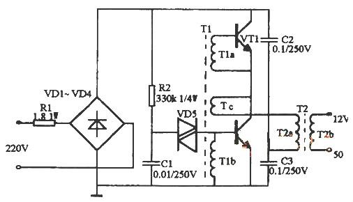
本電路說明了電子變壓器,輸入為AC220V,輸出為AC12V,功率可達50W。它主要是在高頻電子鎮流器電路的基礎上研制出來的一種變壓器電路,其性能穩定,體積小,功率大,因而克服了傳統的硅鋼片變壓器體大、笨重、價高等缺點。
電路如下圖所示。其工作原理與開關電源相似,二極管VD1~VD4構成整流橋把市電變成直流電,由振蕩變壓器T1,三極管VT1、VT2組成的高頻振蕩電路,將脈動直流變成高頻電流,然后由鐵氧體輸出變壓器T2對高頻高壓脈沖降壓,獲得所需的電壓和功率。R1為限流電阻。電阻R2、電容C1和雙向觸發二極管VD5構成啟動觸發電路。三極管VT1、VT2選用S13005,其B為15~20倍。也可用C3093等BUceo》=35OV的大功率三極管。觸發二極管VD5選用32V左右的DB3或VR60。振蕩變壓器可自制,用音頻線繞制在H7X10X6的磁環上。TIa、T1b繞3匝,Tc繞1匝。鐵氧體輸出變壓器T2也需自制,磁心選用邊長27mm、寬20mm、厚10mm的EI型鐵氧體。T2a用直徑為0.45mm高強度漆包線繞100匝,T2b用直徑為1.25mm高強度漆包線繞8匝。二極管VD1~VD4選用IN4007型,雙向觸發二極管選用DB3型,電容C1~C3選用聚丙聚酯滌綸電容,耐壓250V。
如圖所示50w電子鎮流器電路圖
電路工作時,A點工作電壓約為12V;B點約為25V;C點約為105V;D點約為10V。如果電壓不滿足上述數值,或電路不振蕩,則應檢查電路有無錯焊、漏焊或虛焊。然后再檢查VT1、VT2是否良好,T1a、T1b的相位是否正確。整個電路裝調成功后,可裝入用金屬材料制作的小盒內,發利于屏蔽和散熱,但必須注意電路與外殼的絕緣。引外,改變T2a、b二線圈的匝數,則可改變輸出的高頻電壓。
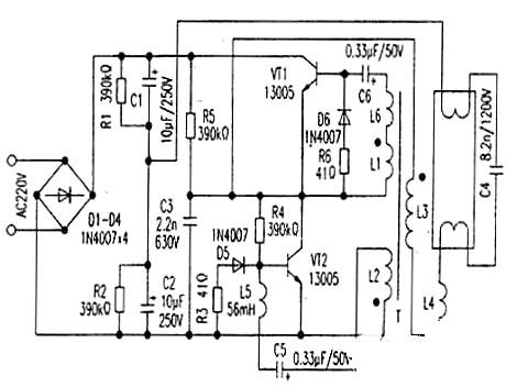
電路如下圖所示。該電路由整流濾波電容、高頻振蕩電路以及輸出負載屯路三部分構成。
交流220V經整流濾波輸出約300V直流為振蕩電路提供電源。開機后,電源經R5對C3充電,使Vc3迅速升高,從而使VT2迅速達到飽和導通;此時由于T的反饋作用使VTI截止。VT2一旦導通,則Vc3下降,流過L2的電流減小,引起L2兩端一個上負下正的電壓。據同名端原則,L1得到上正下負的反饋電壓,從而使VTI迅速飽和導通,同時T的正反饋作用又使VT2迅速截止,如此周而復始形成振蕩方波(R6D6、R3D5起續流作用)。負載回路由L3、L4、C4構成。VTI、VT2產生的高頻振蕩方波由L3加給負載作激勵源。燈管點亮前,由C4、L4等形成很大的諧振電梳流過燈絲,使管內氫氣電離,進而使水銀變為水銀蒸汽,C4兩端的高電壓又使水銀蒸汽形成弧光放電,激發管壁熒光粉發光。燈管點亮后,C4基本上不起作用,此時L4則起阻流作用。
常見故障
1.VTl、VT2擊穿進而導致D1-D4被擊穿,此時將引起電源短路;
2.R4偏置損壞;
3.振蕩電路中L5.L6易損壞;
4.負載電路中C4因高壓易被擊穿。
最后特別說明,目前市場上所見的各種40W、32W節能日光燈以及各種環形燈,均可參考此電路進行分析。
電感鎮流器是利用電感的感抗和自感電動勢來點亮氣體放電燈具的,自感電動勢“擊穿”燈管的氣體啟動燈管,電感限制燈管電流不使其燒毀。
電子鎮流器是用電子器件產生高頻電振蕩并限制燈管電流,利用高頻電流來點亮燈具的,氣體放電的燈管在高頻電流作用下不須高壓啟輝就能放電而發光,且點亮的燈管沒有閃爍感。
電感鎮流器是一個鐵芯電感線圈,電感的性質是當線圈中的電流發生變化時,則在線圈中將引起磁通的變化,從而產生感應電動勢,其方向與電流的方向相反,因而阻礙著電流變化,起到限制電流的作用。
2、電感鎮流器是產生高電壓的理論依據
電感鎮流器是產生高電壓的理論依據來自于線圈的自感現象,即當導體中的電流發生變化時,導體本身就產生感生電動勢,這個電動勢總是阻礙導體中原來電流的變化。這種由于導體本身的電流發生變化而產生的電磁感應現象,叫自感現象,在自感現象中產生的感生電動勢,叫做自感電動勢。線圈自感電動勢的大小與自感系數有關,線圈越長,單位上的匝數越多,截面積越大,自感系數就越大。有鐵芯的線圈的自感系數,比沒有鐵芯時要大的多。由上可知,我們就知道了電感式鎮流器為了獲得一個瞬時的高電壓而做得笨重的道理了。
在電路中起開關作用,它由一個氖氣放電管與一個電容并聯而成,電容的作用為消除對電源的電磁的干擾并與鎮流器形成振蕩回路,增加啟動脈沖電壓幅度。放電管中一個電極用雙金屬片組成,利用氖泡放電加熱,使雙金屬片在開閉時,引起電感鎮流器電流突變并產生高壓脈沖加到燈管兩端。
當日光燈接入電路以后,起輝器兩個電極間開始輝光放電,使雙金屬片受熱膨脹而與靜觸極接觸,于是電源、鎮流器、燈絲和起輝器構成一個閉合回路,電流使燈絲預熱,當受熱時間1-3秒后,起輝器的兩個電極間的輝光放電熄滅,隨之雙金屬片冷卻而與靜觸極斷開,當兩個電極斷開的瞬間,電路中的電流突然消失,于是鎮流器產生一個瞬時高電壓(自感電動勢),它與電源疊加后,加到燈管兩端,使燈管內的惰性氣體電離而引起弧光放電。在日光燈正常發光過程中,由于交流電不斷地通過鎮流器的線圈,線圈中就有自感電動勢,它總是阻礙著電流的變化,這是鎮流器起著降壓限流的作用,保證日光燈的正常工作。
1)、功率因數低,損耗大,有電網污染;
2)、輸入電壓范圍小,低電難以啟動,啟動時間長;
3)、系統本身無穩壓/穩功率措施,造成亮度不穩定;
4)、較低的功率因數導致配電變壓器和配線的容量增大,初裝費用高;
5)、由于鐵芯片在電磁場力的作用下發生震動而產生噪聲;
6)、結構笨重。
一般故障處理遵循由易到難的原則。
故障一:啟輝器無任何動作,燈管不亮。
處理:1、燈開關壞;2、啟輝器壞;3、燈管斷絲;4、鎮流器壞。
故障二:啟輝器頻繁動作,無法點亮燈管
處理:燈管性能下降,更換燈管。
故障三:燈管兩頭發紅,無法點亮。
處理:啟輝器電容擊穿,或是雙金屬片失效,更換啟輝器。
現在的熒光燈越來越多的采用電子鎮流器。
熒光燈電子鎮流器問世于八十年代初,由荷蘭飛利浦公司首先研制成功。由于它與傳統的電感式鎮流器相比,特別在電性能上更有獨特之處。實際上是一個高頻諧振逆變器,它體積小,重量輕,能耗低,低電壓下仍能起動和工作,無頻閃和噪聲。但是,該電路的工作頻率高達20~30kHz,因此有較嚴重的射頻干擾和電磁輻射干擾,影響其他電子儀器的正常工作,還容易對電網造成污染,對人體造成傷害。經過實際使用,它的壽命(和對燈管壽命的影響),都不如電感式流器,更有“省電不省錢”的說法,這些說法,主要是針對劣質的鎮流器而言。
聯系方式:鄒先生
聯系電話:0755-83888366-8022
手機:18123972950
QQ:2880195519
聯系地址:深圳市福田區車公廟天安數碼城天吉大廈CD座5C1
請搜微信公眾號:“KIA半導體”或掃一掃下圖“關注”官方微信公眾號
請“關注”官方微信公眾號:提供 MOS管 技術幫助
